ផលិតផល
| មាន: | |
|---|---|
| បរិមាណ៖ | |
| ការពិពណ៌នា៖ | |
| ឈ្មោះធាតុ | កែងដៃ PVC 90 ° PN10 |
| សម្ភារៈ | ប៉ូលីវីនីលក្លរ |
| ទំហំ | 63-400 ម។ |
| ពណ៌ | ពណ៌ប្រផេះ ឬប្ដូរតាមបំណង |
| ការតភ្ជាប់ | បញ្ចូលទៅក្នុងបំពង់ដោយផ្ទាល់ |
| សម្ពាធ | (Dn <160) ≥PN12,5 (ក្រោម 1000 ម៉ោង) |
| (Dn ≥160) ≥PN10 (ក្រោម 1000 ម៉ោង) | |
| ស្តង់ដារ | DIN8063 |
| វិញ្ញាបនប័ត្រ | ISO14001, SGS, ISO9001, CE |
| ផលិតជាមួយនឹងសមត្ថភាព OEM / ODM ដ៏រឹងមាំ | |
| លក្ខណៈសម្បត្តិរាងកាយដ៏អស្ចារ្យ។ |
|
2. វាក៏ជាសម្ភារៈជម្រើសដំបូងសម្រាប់ប្រព័ន្ធលូ និងទឹកសំអុយផងដែរ ពីព្រោះ ភាពធន់នឹងភាពចាស់ និងអាយុកាលប្រើប្រាស់បានយូរ (ពេលវេលាប្រើប្រាស់អាចមានពី 40-50 ឆ្នាំយោងតាមលទ្ធផលតេស្តដែលផ្តល់ដោយអាជ្ញាធរ)។ |

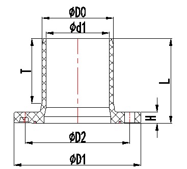
| ព្រុយក្បាល PN10 | ||||||||
| ទំហំ (ដេ) | វិមាត្រ (មម) | |||||||
| ឃ0 | ឃ១ | ឃ២ | ឃ១ | ធ | ហ | អិល | ន | |
| 63 | 63.20 | 164.00 | 125.00 | 62.00 | 102.00 | 17.30 | 127.00 | 4 |
| 75 | 75.30 | 184.00 | 145.00 | 73.50 | 110.00 | 17.00 | 137.50 | 4 |
| 90 | 90.30 | 198.50 | 160.00 | 88.50 | 115.00 | 19.00 | 144.00 | 8 |
| 110 | 110.30 | 223.50 | 180.00 | 108.00 | 128.00 | 20.00 | 154.00 | 8 |
| 160 | 160.40 | 283.50 | 240.00 | 123.00 | 145.00 | 23.00 | 190.00 | 8 |
| 200 | 200.50 | 338.00 | 295.00 | 158.00 | 160.00 | 27.00 | 203.50 | 8 |
| 225 | 225.50 | 345.00 | 295.00 | 197.00 | 167.00 | 29.50 | 216.00 | 8 |
| 250 | 250.50 | 393.00 | 350.00 | 221.00 | 180.00 | 31.00 | 232.00 | 12 |
| 315 | 315.60 | 443.50 | 400.00 | 312.00 | 207.00 | 35.50 | 268.00 | 12 |
| 355 | 355.60 | 510.00 | 460.00 | 326.00 | 235.00 | 42.50 | 300.00 | 16 |
| 400 | 400.60 | 568.20 | 510.00 | 568.20 | 245.00 | 41.00 | 314.00 | 16 |
| ការពិពណ៌នា | ទំហំ | Pcs/ctn | ប្រវែង (សង់ទីម៉ែត្រ) | ទទឹង (សង់ទីម៉ែត្រ) | កម្ពស់ (សង់ទីម៉ែត្រ) |
Spigot flange |
ដឺ៦៣ | 24 | 53 | 38 | 31.5 |
| ដឺ 75 | 25 | 56 | 48 | 32 | |
| ដឺ 90 | 12 | 53 | 38 | 31.5 | |
| De110 | 12 | 40.5 | 40.5 | 49 | |
| De160 | 8 | 60 | 52 | 39.5 | |
| ដឺ ២០០ | 4 | 62 | 35 | 42.5 | |
| ដឺ ២២៥ | 4 | 66 | 39 | 44 | |
| ដឺ 250 | 2 | 40.5 | 40.5 | 49 | |
| ដឺ 315 | 2 | 45.5 | 45.5 | 55.5 | |
| De355 | 2 | ||||
| ដឺ ៤០០ | 1 | 58.5 | 58.5 | 32.5 |
បន្ទប់បង្ហាញ

អ្នកគ្រប់គ្រងមានប្រវត្តិអប់រំនៅក្រៅប្រទេស ឬបទពិសោធន៍ការងារ ពួកគេណែនាំជំនាញគ្រប់គ្រងទាន់សម័យ និងបច្ចេកវិទ្យាទំនើបដល់ក្រុម។
ម៉ាស៊ីនចាក់ថ្នាំជាង 200 គ្រឿង ឧបករណ៍កែច្នៃមេកានិច 80 រួមទាំងម៉ាស៊ីនដែលនាំចូលពីតៃវ៉ាន់ ជប៉ុន និងអាល្លឺម៉ង់
Huasheng បានបង្កើតឡើងក្នុងឆ្នាំ 1988 ដែលមានបទពិសោធន៍ជាង 20 ឆ្នាំក្នុងការបញ្ចូល និងចាក់ប្លាស្ទិក
ក្រុម QC យ៉ាងម៉ត់ចត់ 24 ម៉ោងដែលធ្វើតាមប្រព័ន្ធគ្រប់គ្រងគុណភាព ISO 9001
ប្រព័ន្ធមូលនៃកម្មវិធី និងឧបករណ៍សាកល្បងទាន់សម័យសម្រាប់ R&D

បំពាក់ដោយរោងចក្រដែលមានជំនាញវិជ្ជាជីវៈ Huasheng Plastic គឺជាក្រុមហ៊ុនផលិតដ៏ល្អបំផុតមួយនៅក្នុងប្រទេសចិនដែលអាចផ្តល់ឱ្យអ្នកនូវប្រដាប់ប្រដារ spigot upvc សម្រាប់ការផ្គត់ផ្គង់ទឹក។ យើងក៏អាចផ្តល់ជូនអ្នកនូវការពិគ្រោះបញ្ជីតម្លៃនៃ upvc spigot flange សម្រាប់ការផ្គត់ផ្គង់ទឹក សូមស្វាគមន៍ក្នុងការទិញផលិតផលតាមតម្រូវការរបស់យើង។
ផលិតផល