Продукти
| Наличност: | |
|---|---|
| Количество: | |
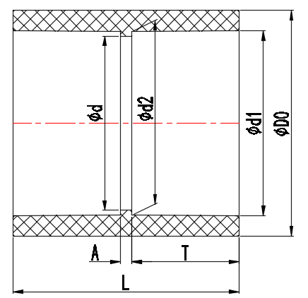
| Размер(*') | Размер (mm) | ||||||
| D0 | d1 | d2 | d | Т | Л | А | |
| 1/2' | 27.12 | 21.54 | 21.24 | 19.24 | 17.60 | 38.16 | 2.96 |
| 3/4' | 33.10 | 26.87 | 26.58 | 24.57 | 18.70 | 40.40 | 3.00 |
| 1' | 40.90 | 33.66 | 33.28 | 31.27 | 22.70 | 48.40 | 3.00 |
| 1-1/4' | 50.10 | 42.42 | 42.05 | 40.04 | 24.30 | 51.60 | 3.00 |
| 1-1/2' | 56.50 | 48.56 | 48.12 | 46.11 | 28.30 | 59.60 | 3.00 |
| 2' | 69.00 | 60.63 | 60.18 | 58.17 | 29.90 | 62.80 | 3.00 |
| 2-1/2' | 84.20 | 73.38 | 72.86 | 69.85 | 45.00 | 95.00 | 5.00 |
| 3' | 100.80 | 89.31 | 88.72 | 85.70 | 48.10 | 101.20 | 5.00 |
| 4' | 127.30 | 114.76 | 114.09 | 110.07 | 51.30 | 107.60 | 5.00 |
| 6' | 183.63 | 168.83 | 168.02 | 164.00 | 77.20 | 161.40 | 7.00 |
| 8' | 236.84 | 219.84 | 218.71 | 213.69 | 102.60 | 212.20 | 7.00 |

Продукти